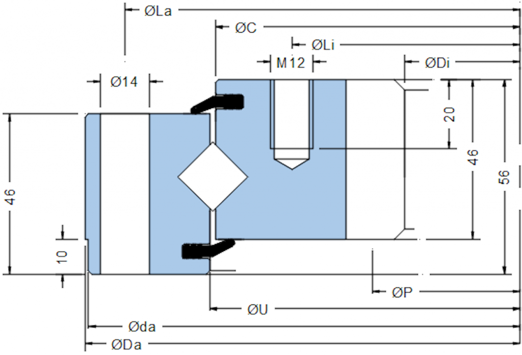
LYRA N11.14 series internal gear crossed roller slewing bearings. The rolling elements are cylindrical rollers with a diameter of 14mm arranged in a cross arrangement. The design dimensions are consistent with the LYRA N10.20 series. The cylindrical roller and the raceway are in surface contact, and the steel ball and the raceway are in four-point contact. Compared with the N10.20 series, the LYRA N11.14 series has higher load-bearing capacity and better accuracy.


LYRA N11.14 series internally toothed crossed roller slewing bearings, the size can be customized according to your requirements.
| Outline dimensions | Outer holes | Inner holes | 20 deg stub gear | Weight | ||||||||||
| LYRA reference | Da | Di | U | C | Da f9 | La | na | Li | ni | P | M | z | Fz max | |
| mm | mm | mm | mm | mm | mm | mm | mm | KN | kg | |||||
| N11.14.0414 | 486 | 324 | 415.5 | 412.5 | 484 | 460 | 24 | 375 | 24 | 335 | 5 | 67 | 34 | 31 |
| N11.14.0544 | 616 | 444 | 545.5 | 542.5 | 614 | 590 | 32 | 505 | 32 | 456 | 6 | 76 | 41 | 42 |
| N11.14.0644 | 716 | 546 | 646 | 643 | 714 | 690 | 36 | 605 | 36 | 558 | 6 | 93 | 41 | 50 |
| N11.14.0744 | 816 | 648 | 746 | 743 | 814 | 790 | 40 | 705 | 40 | 660 | 6 | 110 | 41 | 58 |
| N11.14.0844 | 916 | 736 | 846 | 843 | 914 | 890 | 40 | 805 | 40 | 752 | 8 | 94 | 55 | 69 |
| N11.14.0944 | 1016 | 840 | 946 | 943 | 1014 | 990 | 44 | 905 | 44 | 856 | 8 | 107 | 55 | 76 |
| N11.14.1094 | 1166 | 984 | 1096 | 1093 | 1164 | 1140 | 48 | 1055 | 48 | 1000 | 8 | 125 | 55 | 91 |
LYRA N11.14 series internally toothed crossed roller slewing bearings can be freely interchanged with the following brands and models.
| LYRA reference | INA | SKF (RKS) | ISB |
| N11.14.0414 | XSI 14 0414 N | RKS 062 14 0414 | ZR1 14 0414 200 1SPTN |
| N11.14.0544 | XSI 14 0544 N | RKS 062 14 0544 | ZR1 14 0544 200 1SPTN |
| N11.14.0644 | XSI 14 0644 N | RKS 062 14 0644 | ZR1 14 0644 200 1SPTN |
| N11.14.0744 | XSI 14 0744 N | RKS 062 14 0744 | ZR1 14 0744 200 1SPTN |
| N11.14.0844 | XSI 14 0844 N | RKS 062 14 0844 | ZR1 14 0844 200 1SPTN |
| N11.14.0944 | XSI 14 0944 N | RKS 062 14 0944 | ZR1 14 0944 200 1SPTN |
| N11.14.1094 | XSI 14 1094 N | RKS 062 14 1094 | ZR1 14 1094 200 1SPTN |